首页 > 技术支持 > 产品快讯

高效、可靠、易设计 | 维安IPM硬核优势赋能多场景

现代电力电子领域,追求更高的效率、功率密度、可靠性与智能化水平是永恒的主题。


图片



从工业变频器、新能源汽车电驱,到光伏逆变器、高端家电,传统的分立式功率器件方案(如IGBT/MOSFET加外围驱动电路)已难以满足日益严苛的设计挑战。

在此背景下,IPM-智能功率模块应运而生,并已成为中高功率能量转换系统的首选解决方案。

Integrated Power Modules即智能功率模块,简称为IPM,是一种先进的电力电子集成模块,本质上是功率器件从“分立”走向“智能化、集成化”的典型产品。


IPM并非简单的器件堆叠,而是一个高度集成的系统级封装。它将核心功率开关器件、高性能驱动电路、多重保护功能以及必要的无源元件,通过先进的封装技术和互连工艺,整合在一个紧凑的模块内部。这种集成范式,从根本上重构了功率系统的设计、制造与应用逻辑



WAYON IPM:顶层架构与核心组成


一个标准的IPM通常包含以下几个关键子系统,共同构成了一个完整的“功率片上系统”:


1.功率芯片组

通常采用MOSFET/IGBT作为核心开关。


2.门极驱动电路

集成高压电平移位和隔离技术的HVIC,以及负责逻辑信号处理的LVIC。它们是连接低压控制与高压功率的智能桥梁,提供精确的驱动时序和足够的驱动能力。


3.全方位保护功能

这是“智能”的集中体现。IPM内置了:


短路保护

通过去饱和检测等技术,在微秒级内响应并关断。


● 过流保护

精确的电流采样与比较。


● 欠压锁定

确保驱动电压在安全范围内,防止器件工作在线性区而过热。


● 过热保护

LVIC内部设有一个或多个精密的电压比较器。其中一个比较器的参考电压就对应着过热保护触发阈值(例如,对应内部温度为125℃)。


所有保护功能均会生成一个故障信号,快速反馈给主控制器,实现系统级安全关断。


4.先进封装与热管理

● DBC/AMB基板


采用直接键合铜或活性金属钎焊陶瓷基板,实现优异的电气绝缘和极高的导热性能。

● 低电感设计


优化内部布线,采用叠层功率端子,将寄生电感降至纳亨级别,有效抑制开关过压尖峰。

● 三维散热


支持双面散热设计,将热阻降低高达60%,大幅提升模块的电流输出能力。



WAYON IPM技术优势:从性能到设计革命


相较于分立方案,WAYON IPM带来了多维度的技术跃升:

01.性能卓越

优化的驱动与低感封装,使开关过程更干净、损耗更低,系统效率可提升1-3%。高频化(可达100kHz以上)能力显著增强。


02.功率密度倍增

高度集成化减少了外部元件数量和PCB面积,结合双面散热,使系统体积和重量大幅缩减,契合紧凑化设计需求。


03.可靠性飞跃

工厂级的精密制造确保了内部连接的一致性和稳定性。内置的保护功能消除了分立设计中常见的参数不匹配、布局不合理等风险,平均无故障时间大幅延长。


04.设计简化与加速

工程师无需再耗费大量精力于驱动电路设计、布局优化和参数验证。IPM提供了一个“黑盒化”的可靠功率接口,显著缩短研发周期,降低研发门槛和风险。


05.电磁兼容性优异

内置优化布局和低感设计,从源头降低了电压电流变化率,使系统更易通过EMC认证。




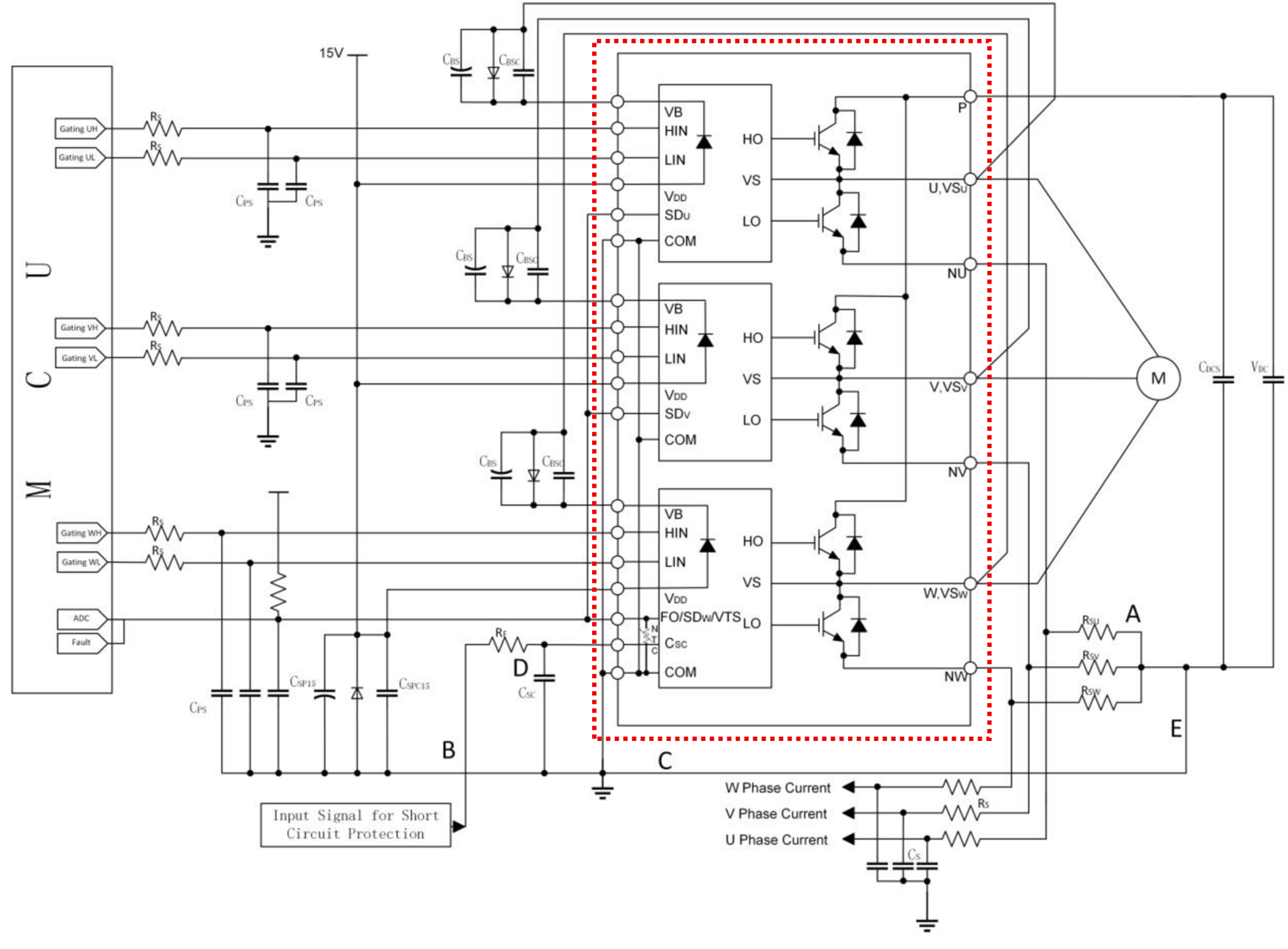
WAYON IPM:产品应用


半桥应用框图:



图片


图片




SOP-23应用框图:



图片


图片



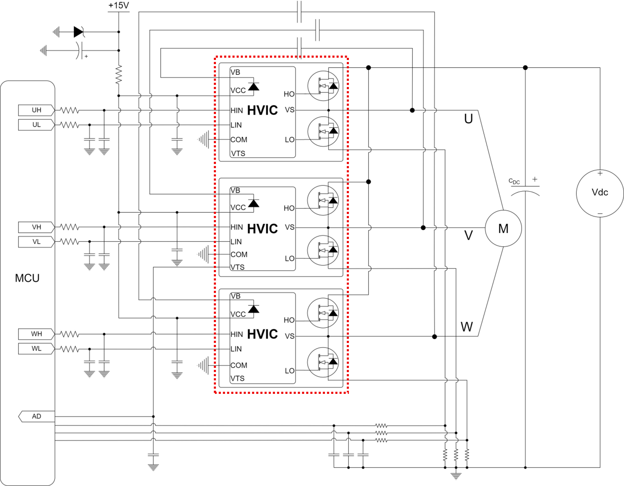
DIP-25B应用框图:



图片


图片




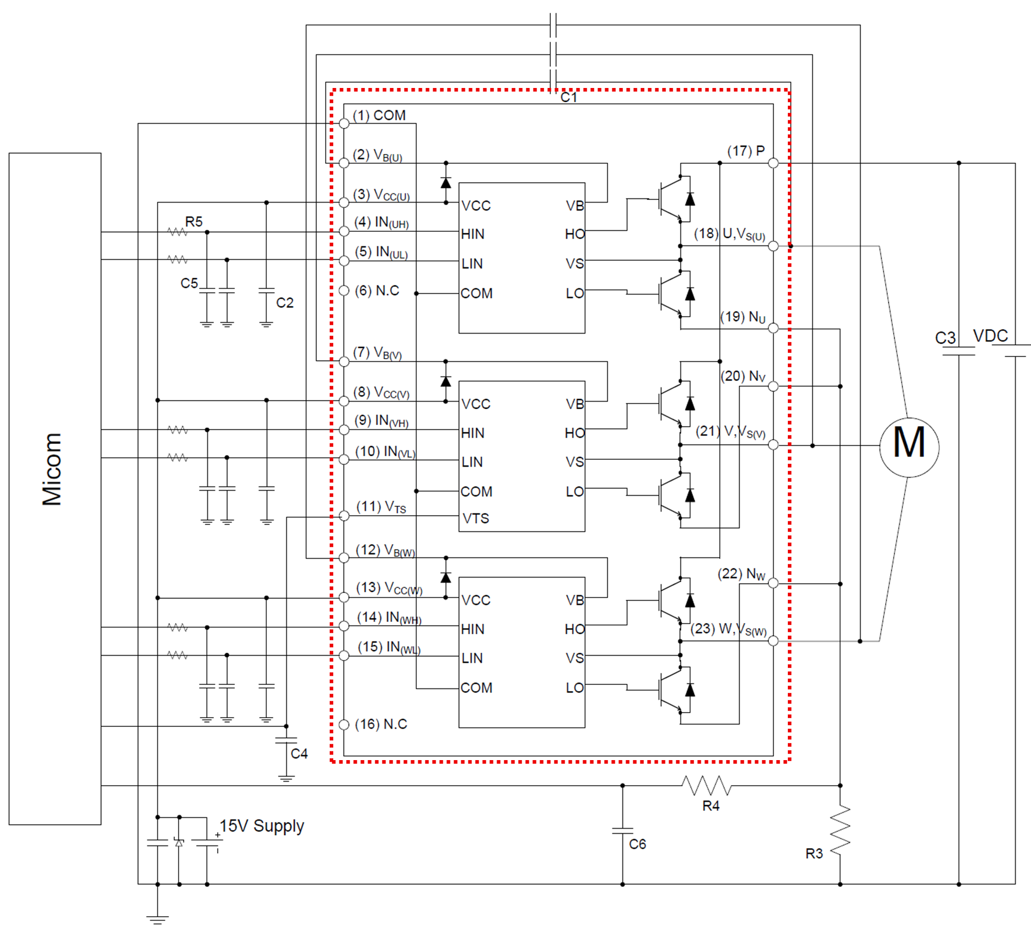
DIP-24HL应用框图



图片


图片




智能功率模块代表了功率电子从分立元器件到智能化、集成化系统解决方案的深刻变革。它不仅是性能提升的引擎,更是推动整个电力电子产业向更高效、更紧凑、更可靠方向发展的关键使能技术。随着新能源革命和工业4.0的深入,IPM的战略地位将愈发凸显,成为连接控制智能与功率执行的、不可或缺的核心枢纽。


跳转产品中心页面,了解更多维安IPM产品信息:https://www.way-on.cn/Product-Center/530.html


想要了解更多WAYON MCU信息,请在下方填写您的需求,我们会尽快与您取得联系,提供专业、全面的解答,期待您的问询!

公司名称
姓名
电话
邮箱
需求

公众号