图1: WTPAK模型图
WAYON WTPAK封装:封装特点
1、自主开发产品
2、优化基岛面积,可实现更大芯片面积的封装
3、优化功率引脚宽度,大幅提升电极载流能力
4、优化电极距离,满足电力电子安规要求
5、为SiC MOS和新一代IGBT产品预留开尔文驱动
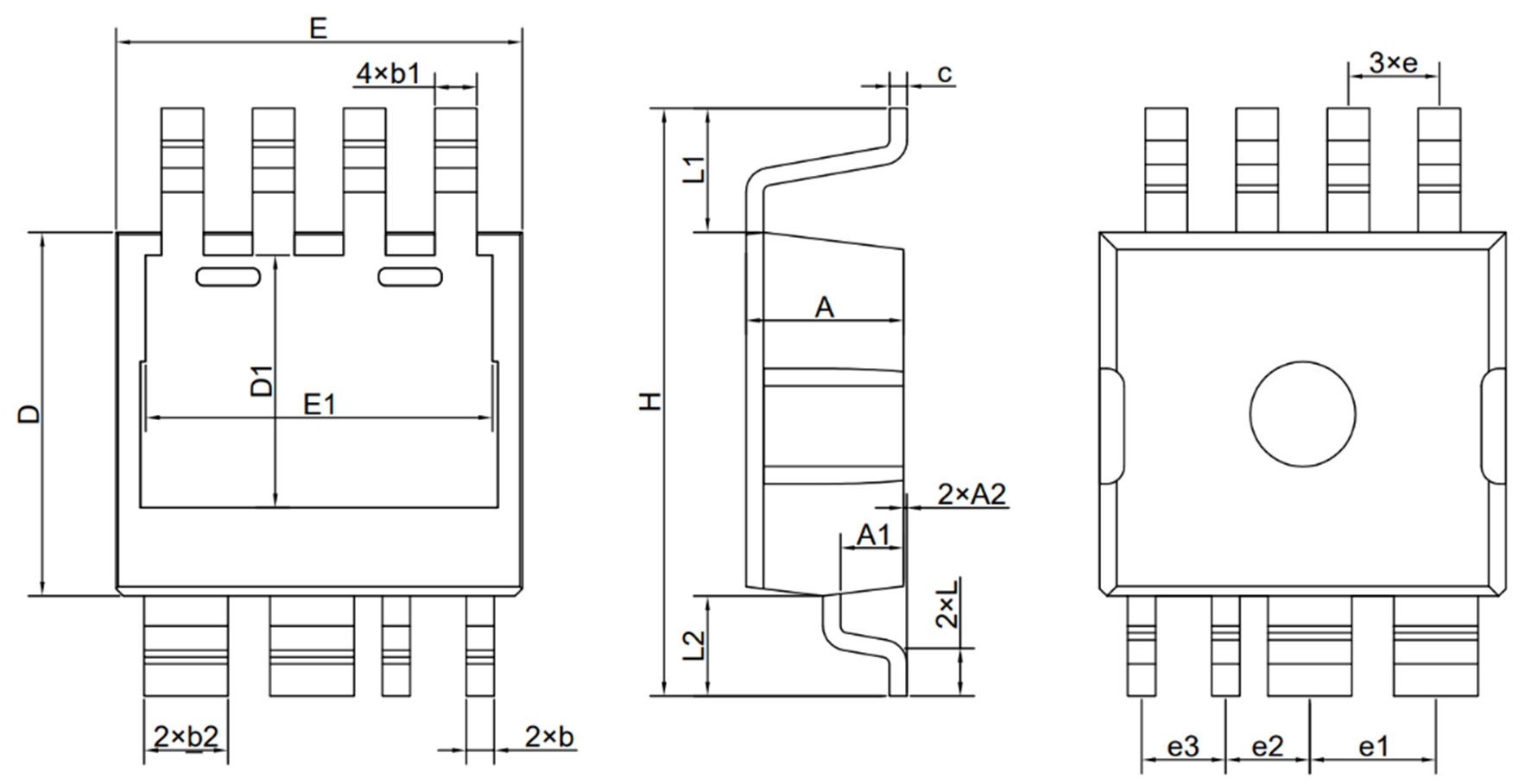
WAYON WTPAK封装:封装尺寸
WAYON WTPAK封装:应用特点
01、更灵活的PCB设计方案,结构散热设计更简单。
02、散热和载流分离,解决PCB过热和IGBT出流能力的问题,实现更大的功率密度,提升系统可靠性。
WTPAK热仿真结果,在有散热片的条件下比无散热片的结温低20℃。
03、自动化SMT生产,大幅提升人均效率,降低装配风险,为大规模生产提供可靠方案。
04、FRD正温度系数,充足的封装爬电距离,更方便并联使用。
05、整流二极管,IGBT,产品系列化,规格丰富。
WAYON WTPAK封装:产品选型表
WTPAK不止是封装,而是一套“更小,更凉,更可靠,更方便”的系统方案。从芯片选型到系统设计进行全局优化,提升散热效率并降低失效率,缩短开发周期,确保产品的稳定与高效。
公众号
地址:上海市浦东新区施湾七路1001号
电话:+86-21-5031 0888
邮箱:market@way-on.com
FAE@way-on.com
Copyright (C) Wayon Electronics Co.,Ltd. All Rights Reserved

